我们的产品包括成套电器和高低压开关柜,在各个行业中得到广泛应用。无论是工业领域、建筑行业还是能源领域,我们都可以提供最适合客户需求的解决方案,能够帮助客户实现高效、安全的运行管理。
我们的产品包括成套电器和高低压开关柜,在各个行业中得到广泛应用。无论是工业领域、建筑行业还是能源领域,我们都可以提供适合客户需求的解决方案。
公司始终致力于通过技术、管理和产品的不断优化,实现公司价值最大化,将公司发展成为富有竞争力、富有创造力、富有价值的企业。公司拥有先进的检测设备、精湛的生产工艺、完善的科技管理体系,以客户需求为中心,在国内为多家企业提供产品、获得了众多企业的一致信任和好评。
本着以客户为中心,与客户紧密联系的思想,我公司不断关注客户的需求、愿望,及时提供个性化服务,让客户感到满意,并深受广大客户信赖,从而将营销工作提升到了一个新的高度!
188-677-11012
Lang
浙江王都电气科技有限公司是一家专注于生产成套电器和高低压开关柜的先进企业。我们致力于为各个行业提供高质量、可靠的电气产品解决方案。
联系热线:188-677-11012
JP综合配电箱
GCS低压抽出式开关柜
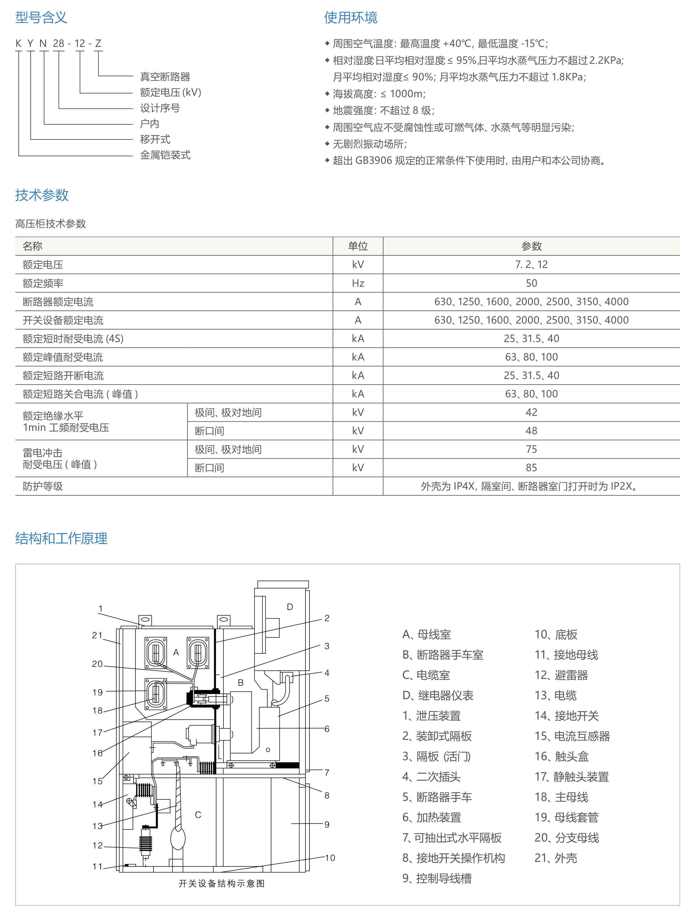
KYN28A-24 型铠装移开式交流金属封闭开关设备
XGN2-12 箱型固定式金属封闭开关设备
还想了解该产品更多信息?请联系我们!
当前产品不符合您的需求? 立即去定制您的产品
您选择的是KYN28-12铠装移开式交流金属封闭开关设备,我们将会有专业的客服人员服务您,若有任何疑惑,客服人员将为您解答。
*为了您的隐私和安全,我们将严格保密您的信息
王都电气向您保证价格与质量如站上信息相符,请您放心咨询!
18867711012@139.com
Copyright © 浙江王都电气科技有限公司 All Rights Reserved.
(联系电话 7×24)